化學土壤淋洗分為原位和異位兩種方式。原位化學淋洗減少了土壤的挖掘、搬運過程 成本降低,但可能造成土壤的二次污染、并且可能污染地下水,呈現治理不徹底的局面。異 位土壤淋洗修復雖存在土壤挖掘、運輸等過程,但其治理過程較原位修復更為簡便、徹底,不污 染地下水,產生的淋洗液可經處理后反復利用,修復周期短,污染物去除效率高,具有較好 的經濟效益。 然而國內還沒有較成熟的可實現自動化的污染土壤化學
土壤淋洗修復設備,并且對于 淋洗液的回收利用存在一定的困難,成熟細致的工業化應用設備尚不完善。

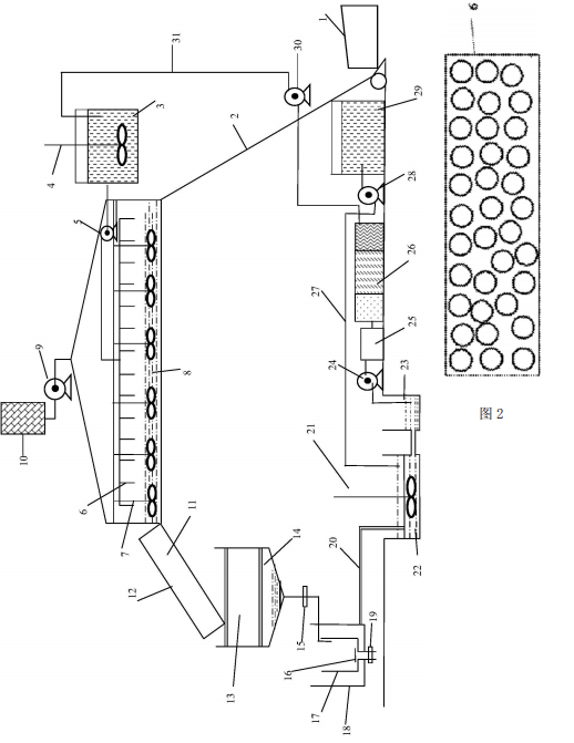
有機污染的化學土壤淋洗系統,其特征在于:包括順次連接的土壤破碎篩分設備、向上傳送帶、噴淋系統、向下傳送帶、泥水分離溢流設備、第一開關閥、自動式可移動篩板、內部桶體、外部桶體、第二開關閥、浸出液輸送管道、混凝槽、沉淀槽、緩沖槽、浸出液過濾吸附設備、浸出液處理后出水輸送管道和淋洗液制備槽,混凝劑儲備槽通過混凝劑輸送管道與混凝槽連接,淋洗液制備槽通過加藥高壓沖洗泵與噴淋系統連接。本設備可工程應用,適用于多種土壤淋洗修復;土壤淋洗過程中,針對廢渣、廢水、廢氣均進行處理,防止二次污染,可實現修復過程全過程綠色修復;實現自動化,全過程無需大量的人力投入。